Dedicated voltmeter and ammeter conversion from Maplins' DMMs
by Ted Scannell

These are the DMMs recently available from Maplins priced at £5.99 for two plus VAT.
They are easily dismantled. Remove the blue rubber half case, and then remove the two crosshead screws from the rear of the unit. The rear cover then lifts from the bottom and unclips from the top.
Remove the two screws that retain the circuit board, and with a small flat bladed screwdriver, lever the board out from the clips at the bottom right. Do not disturb any of the yellow plastic clips at the top; they retain the display surround.
The photo shows the links required to make the connections necessary to replace the selector/on/off switch, circled in yellow.
Wires cut from components such as small capacitors were used to form these links, and were a tight fit in the plated through holes of the DMM circuit board, so soldering was only needed where no adjacent hole was available.
To reduce the depth of the boards the transistor tester was cut off, and the lead sockets unsoldered. Note that these sockets have a collar at the soldered end, so must be pushed out from above, after the solder melts.
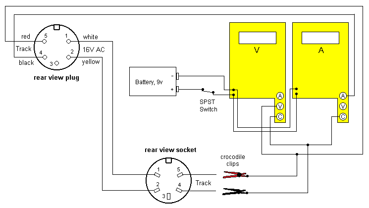
The circuit shows the connections to standard DIN sockets, and is designed to fit in series between CLAG's layout sockets and the controller plug. The removal of the DMM selector switch, which also acted as the on/off, requires the addition of a SPST switch for the battery.
The crocodile clips are optional, fitted here so that an independently powered controller may be connected.

© Ted Scannell
23 March 2008
circuit modified 26 March 2008
|